新技術の特長

(1) 1ボルト以下での DRAM動作を可能にする新プリチャージ方式

 現在、全てのDRAMで消費電流を低減し又大きな電流が流れることによる 誤動作を防ぐため、メモリセルの接続されるビット線をデータを読み出す前に 電源電位(Vcc)の半分の1/2Vccに充電する“1/2Vccプリチャージ 方式”を採用しています。しかし、この方式は読み出しを行うトランジスタに 印可される電圧が半分の1/2Vccになってしまうため低電圧では動作しないと いう問題がありました。
 また、ビット線を電源電位(Vcc)に充電する方式を用いれば動作電圧は 改善しますが、ビット線を放電する時に大きな電流が流れ、このため起こる誤動作と 消費電力の増加が問題になります(図1参照)。

図1 従来技術  単一電位プリチャージ

 当社の開発した新プリチャージ方式は、メモリセルに接続されるビット線を 2つの系統に分けて、片方を電源電位(Vcc)、もう片方を接地電位 (Vss=0V)に充電します(図2参照)。これにより読み出しトランジスタに 印可される電圧は従来の1/2Vccプリチャージ方式の2倍になり、低電圧でも 高速な読み出しが可能になります。 一方、読み出し開始時にはこの2系統を 接続し、電源電位(Vcc)まで充電したビット線の電荷をVss(0V)に 充電したビット線に放電することにより、従来全て接地線に放電して 捨てていた電荷を0Vのビット線電位を上げることに再利用します。放電するのは、 2系統のうち半分である1系統のビット線だけになるため、消費電流は全ての ビット線をVccに充電する方式に比べ約半分に低減できます。

図2 新技術 ハイブリッドプリチャージ

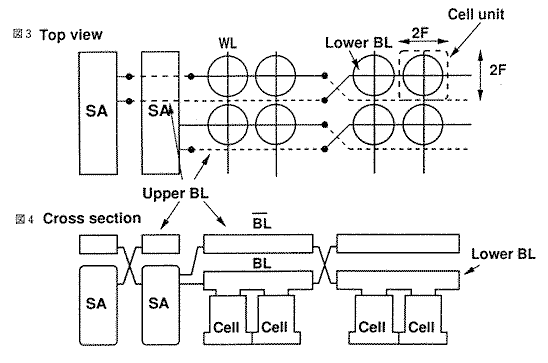
(2) 2層ビット線セルアレイ技術

 DRAMのメモリセルは、データ(電荷)を蓄積するキャパシタとデータの 入出力を制御してスイッチの役割をする1個のトランジスタとの2つの素子から 構成されています。
 現在のDRAMには、1つのメモリセル内に2本並んだのワード線と1本のビット 線が通過する折り返しビット線形と呼ばれるメモリセル配置方式が使われており、 デザインルール(設計寸法)をFとした場合、理論上の最小セル面積は8F2と なります。

 今回開発したセルアレイ技術は、メモリアレイを2つのサブアレイに分けて あります。従来は1個のセンスアンプから平行して並んでいた2本のビット線を、 それぞれ上下の2層に分け、かつ2つのサブアレイの別れ目で上のビット線を下に、 下のビット線を上にクロスした構成にしています(図3参照)。メモリセルは基本的 に下のビット線上でつながれており、片方のサブアレイではメモリセルが つながっていた下のビット線は、もう片方のサブアレイではメモリセル上を 通過することになります(図4参照)。このため、メモリセルにおける2本の ビット線を横方向に並べるのではなく縦方向に積み重ねて構成させ、メモリセルの 横幅を半分にすることで、最小メモリセル面積を従来の半分の4F2にしています (図5参照)。

 今回開発したセルアレイ技術を採用し、最小メモリセルを4F2にすることで、 4ギガビットDRAMを従来技術において0.105ミクロン加工技術を使った 場合と同じチップサイズながら0.15ミクロンルールでの設計が可能になり、 このため従来不可能であった4ギガビットDRAMの光リソグラフィによる加工が 可能になります(図6参照)。

2層ビット線セルアレイのコンセプト

DRAMセル面積のトレンド


プレスリリース記載の情報(製品価格/仕様、サービスの内容、お問い合わせ先、URL等)は、発表日現在の情報です。予告なしに変更されることがありますので、あらかじめご了承ください。最新のお問い合わせ先は、東芝全体のお問い合わせ一覧をご覧下さい。